Разборка головки блока цилиндров (руководствуемся рис. 1)
- 1. Отвернуть гайки (311442) крепления штуцеров подвода топлива к форсункам
- 2. Снять штуцера подвода топлива к форсункам (650.1112154).

3. Отвернуть болты (а) (300144) (см. Рис. 2) крепления скоб форсунок.

- 4. Снять скобы крепления форсунок (6) (650.1112163) (см. Рис. 2).
- 5. Снять форсунки (в) (650.1112010) (см. Рис. 2).
- 6. Извлечь шайбы медные (312383).

- 7. Отвернуть 7 болтов крепления коробки слива охлаждающей жидкости с головки цилиндров (а) (310022) (см. Рис. 3).
- 8. Снять коробку слива ОЖ с головки (17).
- 9. Снять прокладку (18) коробки слива охлаждающей жидкости.

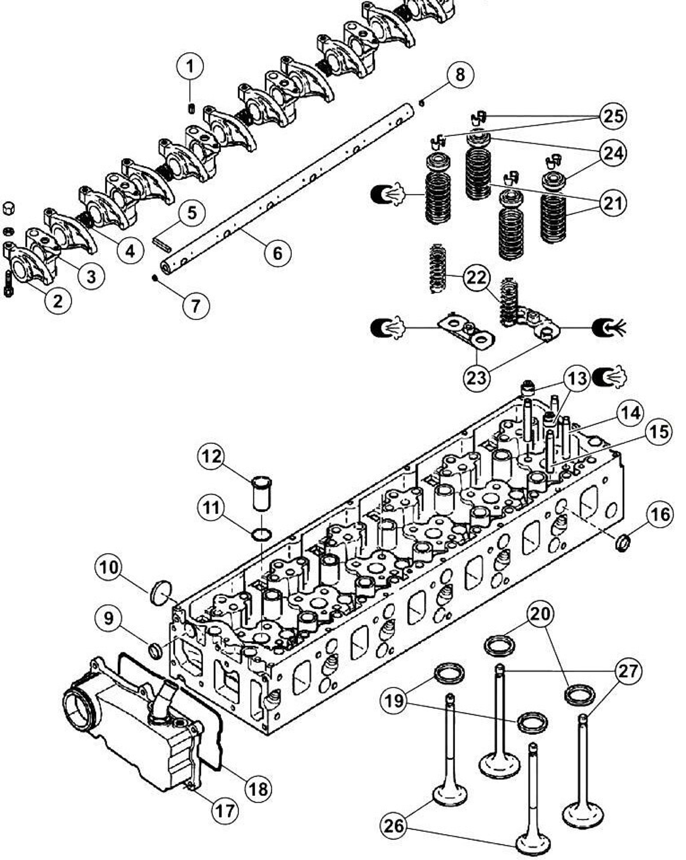
- 10. Сжать пружины, используя приспособление 9838 (см. Рис. 4).
- 11. Вынуть сухари (25).
- 12. Снять тарелки (24) и пружины (21, 22).
- 13. Извлечь опорные шайбы пружин (23).
- 14. Извлечь клапаны (26, 27) и разложить их по порядку.
- 15. Снять манжеты клапанов (13).
- 16. Извлечь направляющие клапанов (14, 15)
- 17. К клапанному седлу приварить шайбу.
- 18. Вытолкнуть седла (19, 20) из головки.
- 19. Нарезать внутреннюю резьбу М26х1,5 мм в стаканах форсунок

- 20. Извлечь стаканы форсунок (12), используя приспособление 1205 (см. Рис. 5).
- 21. Извлечь кольцевое уплотнение (11). Замена стаканов форсунок должна осуществляться при снятой головке блока цилиндров
Разборка коромысел с осью и стойками. (см. Рис. 1)
- 1. Извлечь направляющую втулку (1).
- 2. Снять штифты (5).
- 3. Снять коромысла (2), стойки (3) и пружины (4).
- 4. При необходимости снять заглушки (7, 8).
Сборка коромысел с осью и стойками. (см. Рис. 1)
- 1. Установить заглушки (7, 8), используя герметик «Локтайт 542».
- 2. Смазать маслом и установить стойки (3), коромысла (2) и пружины (4).
- 3. Установить штифты (1, 5).
Чистка головки блока цилиндров.
(см. Рис.1) Чистку головки блока цилиндров производить при необходимости, для удаления нагара вынуть заглушки (9, 10, 16).
Контроль головки блока цилиндров и деталей МГР. (см. Приложение В)

- 1. Проверить опорную поверхность головки блока цилиндров под прокладку.
- 2. Проконтролировать герметичность головки блока цилиндров перед установкой.
Присоединить приспособление 2549 с давлением воздуха в 6 бар, погрузить головку в горячую воду (80˚ С) и убедиться в отсутствии пузырьков (см. Рис. 6).
- 3. Проверить тарировку пружин.
- 4. Проверить радиальный зазор между клапаном и направляющей.
- 5. Проверить отступ и выступ клапанов.

Размеры и допуски головки блока цилиндров

Сборка головки блока цилиндров
Установка заглушек:
- 1. Установить заглушки (9, 16) (см. Рис. 1), используя приспособления 3016 + 2363 25 мм.
- 2. Установить заглушку (10) (см. Рис. 1), используя приспособление 3016 + 2363 42 мм.
- 3. При установке заглушек использовать герметик “Локтайт 542”.
- 4. Проверить наличие утопания “А” = 1,5 ± 0,5 мм (см. Рис. 9)
Установка стакана форсунки:
- 1. Поставить на место кольцевое уплотнение (11) (см. Рис. 1).
- 2. Смазать консистентной смазкой стакан форсунки.
- 3. Установить на место стакан форсунки (12) (см. Рис. 1).

- 4. Установить приспособление 2556.
- 5. Развальцевать в “А” (см. Рис. 10а), используя приспособление 1220.
- 6. Убрать приспособление 1220, используя приспособление 1205 (см. Рис. 10Б)
- 7. Убрать приспособление 2556
- 8. Проверить герметичность.
Установка направляющих втулок клапанов:

- 1. Смазать консистентной смазкой направляющие втулки.
- 2. Запрессовать направляющие втулки впускных (1) и выпускных (2) клапанов используя приспособление 2539 и пресс (см. Рис. 11).
- После замены направляющих втулок седла клапанов притираются. Выполнять притирку после установки седел.
Установка седел клапанов:

- 1. Охладить седла клапанов в жидком азоте или приблизительно 12 часов в морозильнике.
- 2. Установить седла клапанов, используя приспособление 1332 и пресс (см. Рис. 12).
Притирка седел клапанов:

Перед притиркой седел проверьте состояние направляющих втулок клапанов. Замените, если требуется.
Методика:
- - направляющие втулки клапанов должны обеспечивать центровку инструмента.
- - для определения количества удаляемого металла учитывать значения «R» величины утопания клапанов; обработать посадочную поверхность «Р», используя приспособление 9732, соблюдая угол «А»:
- - на впуске 60˚,
- - на выпуске 45˚
В зависимости от применяемой оснастки/инструмента, углы указываются либо по отношению к плоскости стыка головки блока цилиндров с прокладкой, либо по отношению к оси клапана.
Установка клапанов (см. Рис. 1):

Сами клапаны не шлифовать, не допускается никакая притирка.
- 1. Поставить манжеты (13) на направляющие втулки выпускных клапанов.
- 2. Смазать маслом и установить клапаны.
- 3. Установить шайбы пружин опорные (23).
- 4. Установить пружины (21, 22) с тарелками (24).
- 5. Установить сухари (25), используя приспособление 9838 (см. Рис. 14).
Установка форсунок:

- 1. Установить форсунку (2) с шайбой медной (1) (312383) в отверстие под форсунку в головке блока цилиндров. (При ее установке отверстие подвода топлива должно быть направлено в сторону впускных окон головки блока цилиндров).
- 2. Установить штуцер подвода топлива к форсунке (6). (Соблюсти ориентацию (В)).
- 3. Поманеврировать форсункой (2) и штуцером подвода топлива к форсунке (6) так, чтобы конусы штуцера и отверстия в форсунке сошлись.
- 4. Наживить гайку крепления штуцера (7).
- 5. Поставить скобу крепления форсунки (3).
- 6. Поставить на место сферическую шайбу (4) (312391).
- 7. Наживить болт крепления скобы форсунки (5).
- 8. Произвести предварительную затяжку болта скобы крепления форсунки (5) и гайки крепления штуцера (7) моментом не более 5 Нм.
- Окончательно затянуть болт крепления скобы форсунки (5) и гайку крепления штуцера (7) моментом 60 Нм.
- 9. Проверить выступание форсунок.
Установка коробки слива охлаждающей жидкости (ОЖ) с головки блока цилиндров:

- 1. Установить в коробку слива ОЖ с головки блока цилиндров (1) уплотнение (2) (см. Рис. 16).
- 2. Установить коробку слива ОЖ с головки блока цилиндров.
- 3. Наживить болты крепления коробки слива ОЖ с головки блока цилиндров и затянуть окончательно Мкр = 20 ± 4 Нм, соблюдая указанный порядок затяжки (см. Рис. 17)
Приспособления для ремонта головки блока цилиндров

